MPX1400

MPX1400

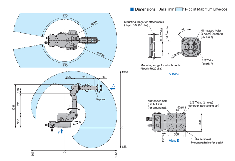
Small Robot Enhanced for Painting

Optimized for painting smaller components, the six-axis MPX1400 robot offers outstanding performance for coating and dispensing applications. Its small footprint slim-arm construction allows for minimum installation space, and a broad motion range facilitates painting multiple parts at the same time. Factory Mutual (FM) approved for Class I, Div. 1 use in hazardous environments, this extremely fast and precise robot features a strait wrist with a 5 kg payload, as well as high allowable moment ratings, making it ideal for mounting a variety of spray guns and small bells.

ติดต่อสอบถาม

Perfect with