| MOTOMAN-MPX1950 |
| Application |
・Painting |
| Controlled Axis |
6 (Vertically articulated) |
| Payload |
7 kg. [Arm (L/U-axis) Total 3 kg.] |
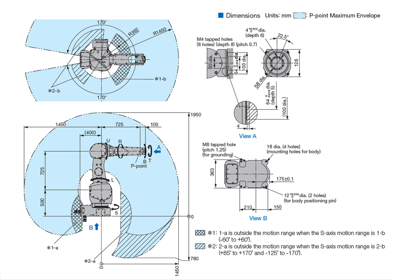
| Maximum Reach |
1450 mm. |
| Repeatability *1 |
0.15 mm. |
| Range of Motion |
S-axis |
−170°−+170° (wall mounted: −90°−+90°) |
| L-axis |
−100° −+140° |
| U-axis |
− 62° −+235° |
| R-axis |
−200° −+200° |
| B-axis |
−150° −+150° |
| T-axis |
−400° −+400° |
| Maximum Speed *2 |
S-axis |
3.14 rad/s (180°/s) |
| L-axis |
3.14 rad/s (180°/s) |
| U-axis |
3.14 rad/s (180°/s) |
| R-axis |
6.28 rad/s (360°/s) |
| B-axis |
6.98 rad/s (400°/s) |
| T-axis |
8.72 rad/s (500°/s) |
Allowable Moment
|
R-axis |
19.6 N・m |
| B-axis |
19.6 N・m |
| T-axis |
9.8 N・m |
Allowable Inertia
(GD2/4)
|
R-axis |
0.6 kg・m2 |
| B-axis |
0.6 kg・m2 |
| T-axis |
0.16 kg・m2 |
| Approx. Mass |
265 kg. |
| Controller |
DX200 (for painting robots) |
| Certified Compliance with |
− |
| IEC Protection Class |
IP54 |
| Mounting |
Floor, Ceiling, Wall |
| Optional Specification |
TIIS (Japan), FM (North America), ATEX (Europe), KCs (Korea), Taiwan |
*1: Repeatability conforms to ISO 9283.
*2: The maximum speed in this table is the available maximum value and will vary depending on the load, posture, or range of motion. |
** Pressure switch unit installation is required: separate